1984 Nissan Pickup Fuel Pump Wiring Diagram
1987 pickup and pathfinder starting system and diesel engine fig. Fuel pump are shipped directly from authorized nissan dealers and backed by the manufacturer's warranty.
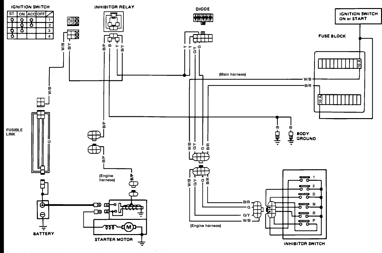
1997 Nissan Pickup Fuel Pump Wiring Diagram Ca 4510
No power to elect fuel pump.
1984 nissan pickup fuel pump wiring diagram. The fuel pump in in the fuel tank. Manual steering gear are shipped directly from authorized nissan dealers and backed by the manufacturer's warranty. Wiring diagram for lights for 1997 nissan xe pickup don't no how to take off taillight lens to cange bulb.
Posted on dec 15, 2008 Question about 1984 nissan pickup. Parts fit for the following vehicle options.
10+ 1990 ford truck radio wiring diagram 15+ 2004 chevy duramax truck wiring diagram 15+ cab over truck diagram 17+ 1995 chevy truck wiring diagram 18+ 87 chevy truck tbi wiring diagram. Posted on feb 13, 2009. 85 nissan 720 4x4 2 4 weber conversion if you want to join a cool nissan site,here's a link,type in 720world.com,i am a
4 cyl 2.0l, 4 cyl 2.2l, 4 cyl 2.2l diesel, 4 cyl 2.4l, 4 cyl 2.5l diesel. Clicking this will make more experts see the question and we will remind you when it gets answered. Aug 03, 2010 • 1984 nissan pickup.
Nissanpartsdeal.com offers the wholesale prices for genuine 1984 nissan 720 pickup parts.parts like. Looking for wiring diagram for a 1984 nissan p/u with a z24 motor. I recently purchased a 1984 nissan/datsun truck and i drove it home with no problems.
1984 nissan king cab z24 fuel pump relay wiring. Posted by anonymous on aug 22, 2012. Parts fit for the following vehicle options.
Check the relay for the pump.it is located in the cab on the passanger side under the dash attached to the side wall. This typical circuit diagram of the fuel pump circuit applies to the gasoline 1993, 1994, and 1995 ford f150, f250, and f350 equipped with a gasoline 4.9l, or a 5.0l, or a 5.8l engine and dual fuel tanks. Post by sean bean » sat dec 18,.
4 cyl 2.0l, 4 cyl 2.2l, 4 cyl 2.2l diesel, 4 cyl 2.4l, 4 cyl 2.5l diesel. 1984 nissan 720 4x4 starts fine but runs rich, misses, sputters. If that isnt the problem i would trace the wires back to the pump because i have often seen the hot wire smashed into the frame and shorted out.
300zx fuel pump relay location 1992 nissan nx fuse and relay panel cover diagram fixya audi fuel pump diagram wiring diagram fuel pump wiring diagram gmc best place to find wiring and gm fuel pump relay wiring wiring diagram 1998 gmc jimmy 6 cyl 4 3lt 4 dr 4 wd the , q45tech thanks for the info this has been a long on 1984 nissan 720 pickup wiring diagram, 1984 nissan pickup fuel pump wiring diagram. So far, i have checked the fuses, i replaced the battery, fuel filter, fuel pump relay inside the cab under the firewall.
Aug 09, 2010 • 1984 nissan pickup. Nissanpartsdeal.com offers the wholesale prices for genuine 1984 nissan 720 pickup parts.parts like. Diagram for z24 engine i want the wiring diagram for d21 navara z i just put on an inline fuel pump and need to run a wire to a power source.
New distributor, plugs, wires, cleaned fuel tank. Parts fit for the following vehicle options. A wiring diagram is a simplified standard photographic depiction of.
Water pump, cooling fan & thermostat are shipped directly from authorized nissan dealers and backed by the manufacturer's warranty. Nissan pickup cars & trucks fuelpump wiring diagram questions and answers. I have an 87 d21 nissan truck it will start and run but just a second then.
From the battery to a switch taped on the dash and into the relay harness and attached to the fuel pump supply wire. 4 cyl 2.0l, 4 cyl 2.2l, 4 cyl 2.2l diesel, 4 cyl 2.4l, 4 cyl 2.5l diesel. Wiring diagram for 1984 nissan pickup with z24 engine.
Check pvc and check for air leaks around intake and carb gasket use a little carb cleaner if engine sputters while spraying u have a leak. It is built into the pump so if it would have to be replaced then you would have to replace the whole pump. Nissanpartsdeal.com offers the wholesale prices for genuine 1984 nissan 720 pickup parts.parts like.

[GL_3086] 1984 Nissan 720 Pick Up Also 1985 Nissan Pickup

[RM_9281] 1984 Nissan 720 Pick Up Also 1985 Nissan Pickup
1990 Chevy 1500 Fuel Pump Wiring Diagram Free Diagram

[RM_9281] 1984 Nissan 720 Pick Up Also 1985 Nissan Pickup

1997 Nissan Pickup Fuel Pump Wiring Diagram Ca 4510
1994 Toyota Pickup 22re Vacuum Diagram Free Wiring Diagram

[RM_9281] 1984 Nissan 720 Pick Up Also 1985 Nissan Pickup

[ET_3477] 1985 Nissan 720 Pickup Wiring Diagram Further
1990 Nissan 300Zx Stereo Wiring Diagram Wiring Diagram
Nissan Hardbody Wiring Diagram Wiring Diagram
Nissan Hardbody Wiring Diagram Wiring Diagram
Wiring Diagram 10 1986 Toyota Pickup Wiring Diagram

[RM_9281] 1984 Nissan 720 Pick Up Also 1985 Nissan Pickup

300zx Engine Diagram For 1984 Wiring Diagram Networks
300zx Engine Diagram For 1984 Wiring Diagram Networks

300zx Wiring Diagram how small can words be tattooed news
1987 Nissan 200sx Fuse Diagram Wiring Diagram Schema
